Устройство управления резервным питанием AVR-02 (3х400В+N; 5 перекл. х8А; IP20) F&F EA04.006.004
Характеристики
Бренд
—
Евроавтоматика F&F
Ширина
—
105 мм
Высота
—
90 мм
Глубина
—
65 мм
Номинальное напряжение питания цепи управления Us перемен. тока АС при 50 Гц с
—
24 В
Единица измерения: штук
Рассчитать доставку
Нашли дешевле?
"Устройство управления резервным питанием серии ""AVR"".
Монтаж на DIN-рейку.
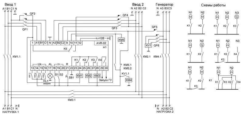
Предназначено для построения блоков АВР с двумя или тремя вводами питания (генераторной установкой), с секционными выключателями, с одной или двумя нагрузками.
Принцип работы.
Устройство управления AVR-02 контролирует напряжение на основном вводе трехфазной сети переменного тока. Если напряжение в пределах нормы, нагрузка подключается к вводу с помощью внешнего силового аппарата (контактора, автоматического выключателя с моторным приводом и т.п.), которым управляет исполнительное реле AVR-02. При аварии основного ввода нагрузка переключается на резервный. При восстановлении питания на основном вводе нагрузка переключается на него. Изделие имеет
входы контроля положения и входы контроля - аварийных контактов силового аппарата. По ним определяется его состояние, не допускается “встречное” включение вводов и подключение исправного ввода на аварийную линию питания нагрузки. Допустимые пределы напряжения и временные параметры переключения устанавливаются с лицевой панели AVR-02. Питание осуществляется от контролируемых вводов.
Особенности:
для работы в составе блоков: АВР 2.0; АВР 2.1; АВР 2.2; АВР 3.0; АВР 3.1;
контроль наличия фаз;
контроль минимального и максимального напряжения в фазах;
контроль чередования, слипания фаз;
контроль асимметрии фаз;
управление контакторами и моторными приводами;
контроль состояния контакторов (моторных приводов);
контроль срабатывания выключателей по сверхтоку;
формирование напряжения оперативного питания;
формирование сигнала запуска генератора;
формирование сигнала “Авария”;
ограничение доступа к настройкам вводом PIN-кода;
пуско-наладочный режим;
возможность работы от внешнего источника питания;
сохранение работоспособности в диапазоне напряжений от 24 до 450В;
использования в однофазных цепях.
Монтаж на DIN-рейку.
Предназначено для построения блоков АВР с двумя или тремя вводами питания (генераторной установкой), с секционными выключателями, с одной или двумя нагрузками.
Принцип работы.
Устройство управления AVR-02 контролирует напряжение на основном вводе трехфазной сети переменного тока. Если напряжение в пределах нормы, нагрузка подключается к вводу с помощью внешнего силового аппарата (контактора, автоматического выключателя с моторным приводом и т.п.), которым управляет исполнительное реле AVR-02. При аварии основного ввода нагрузка переключается на резервный. При восстановлении питания на основном вводе нагрузка переключается на него. Изделие имеет
входы контроля положения и входы контроля - аварийных контактов силового аппарата. По ним определяется его состояние, не допускается “встречное” включение вводов и подключение исправного ввода на аварийную линию питания нагрузки. Допустимые пределы напряжения и временные параметры переключения устанавливаются с лицевой панели AVR-02. Питание осуществляется от контролируемых вводов.
Особенности:
для работы в составе блоков: АВР 2.0; АВР 2.1; АВР 2.2; АВР 3.0; АВР 3.1;
контроль наличия фаз;
контроль минимального и максимального напряжения в фазах;
контроль чередования, слипания фаз;
контроль асимметрии фаз;
управление контакторами и моторными приводами;
контроль состояния контакторов (моторных приводов);
контроль срабатывания выключателей по сверхтоку;
формирование напряжения оперативного питания;
формирование сигнала запуска генератора;
формирование сигнала “Авария”;
ограничение доступа к настройкам вводом PIN-кода;
пуско-наладочный режим;
возможность работы от внешнего источника питания;
сохранение работоспособности в диапазоне напряжений от 24 до 450В;
использования в однофазных цепях.
|
Бренд
|
Евроавтоматика F&F |
|
Ширина
|
105 мм |
|
Высота
|
90 мм |
|
Глубина
|
65 мм |
|
Номинальное напряжение питания цепи управления Us перемен. тока АС при 50 Гц с
|
24 В |
|
Номинальное напряжение питания цепи управления Us перемен. тока АС при 50 Гц по
|
450 В |
|
Количество нормально замкнутых (НЗ) контактов
|
1 |
|
Количество нормально разомкнутых (НО) контактов
|
4 |
|
Возможен контроль 3-фазного понижения напряжения
|
Да |
|
Род тока контролируемого напряжения
|
Переменный ток (AC) |
Отзывы
Загрузка отзывов...
Добавить отзыв
