Регулятор температуры RT-821.1 (от -4 до +5 град.C; выносной датчик; гистерезис 30 град.C; монтаж на DIN-рейке 35мм 230В 16А 1P IP20) F&F EA07.001.004
Характеристики
Бренд
—
Евроавтоматика F&F
Степень защиты IP
—
IP20
Исполнение
—
Аналоговый
Номинальное напряжение с
—
230 В
Номинальное напряжение по
—
230 В
Единица измерения: штук
Рассчитать доставку
Нашли дешевле?
Регулятор температуры серии "RT"
Монтаж на DIN-рейку.
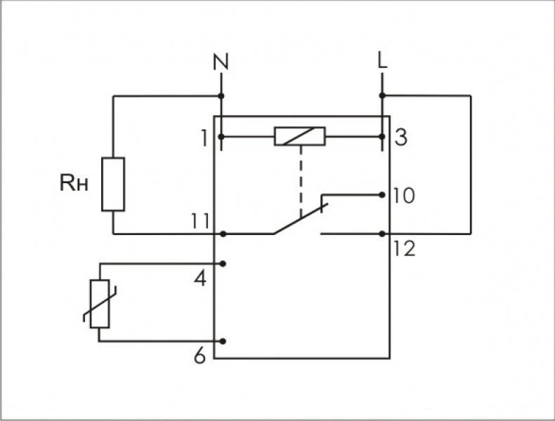
Для контроля и поддержания заданного температурного режима путем включения / выключения нагревательной/охлаждающей установки по сигналам выносного датчика температуры.
В зависимости от выполняемой задачи исполнительное устройство (нагреватель или охладитель) подключаются к определённым контактам выходного реле. При достижении заданной на панели прибора температуры происходит выключение нагревателя (охладителя). Например, в случае нагрева при снижении температуры в контролируемой зоне ниже заданной контакты исполнительного реле замыкаются включается нагреватель. По достижении заданной температуры контакты исполнительного реле размыкаются и нагреватель отключается. При понижении температуры на величину установленного гистерезиса контакты реле замыкаются, и нагреватель включается снова. Для случая охлаждения принцип работы аналогичен.
Особенности:
датчик RT в комплекте;
напряжение питания 230 В AC;
диапазон регулируемых температур -4...+5°C ;
гистерезис 3°C ;
контакт - 1NO/NC (16 А).
Монтаж на DIN-рейку.
Для контроля и поддержания заданного температурного режима путем включения / выключения нагревательной/охлаждающей установки по сигналам выносного датчика температуры.
В зависимости от выполняемой задачи исполнительное устройство (нагреватель или охладитель) подключаются к определённым контактам выходного реле. При достижении заданной на панели прибора температуры происходит выключение нагревателя (охладителя). Например, в случае нагрева при снижении температуры в контролируемой зоне ниже заданной контакты исполнительного реле замыкаются включается нагреватель. По достижении заданной температуры контакты исполнительного реле размыкаются и нагреватель отключается. При понижении температуры на величину установленного гистерезиса контакты реле замыкаются, и нагреватель включается снова. Для случая охлаждения принцип работы аналогичен.
Особенности:
датчик RT в комплекте;
напряжение питания 230 В AC;
диапазон регулируемых температур -4...+5°C ;
гистерезис 3°C ;
контакт - 1NO/NC (16 А).
|
Бренд
|
Евроавтоматика F&F |
|
Степень защиты IP
|
IP20 |
|
Исполнение
|
Аналоговый |
|
Номинальное напряжение с
|
230 В |
|
Номинальное напряжение по
|
230 В |
|
Ширина в числах модульных расстояний
|
1 |
|
Количество каналов
|
1 |
|
Номинальная частота с
|
50 Гц |
|
Номинальная частота по
|
50 Гц |
|
Недельная программа
|
Нет |
|
Тип контакта
|
Переключающий контакт |
|
Диапазон настройки понижения температуры с
|
-4 град.C |
|
Диапазон настройки понижения температуры по
|
5 град.C |
|
Руководство на дисплее
|
Нет |
Отзывы
Загрузка отзывов...
Добавить отзыв
